ホーム 応用 教育学習 MCU Board simulator (free)

Android MCUプロトタイプボードシミュレーター(無料)

Android OSのMCUシミュレーターは、シミュレートされた画面上のプロトタイプボードで68705 MCUと同様のアセンブリ言語コードを実行します。埋め込まれたアプリケーションの愛好家、学生、教師、またはマイクロコントローラーCPUおよび電子プロトタイプボードを試すのが好きな人に最適です。アセンブリ言語も学習するのは楽しいです!

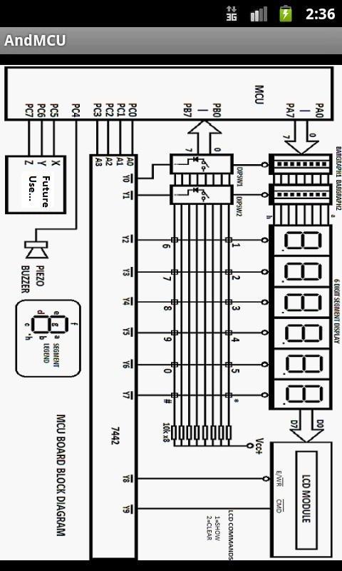
ANDMCUはソフトウェアとハ​​ードウェアの両方をシミュレートします。実際のプロトタイプボードと同様に、ASMコードは、数字のセグメントを点灯したり、キーパッドやディップスイッチからキーストロークを読んだりするなど、接続されたハードウェアを制御するようにMCU I/Oポートを構成する必要があります。

単純な内蔵テキストエディターまたは選択したAndroidテキストエディターを使用して、アセンブリコードを書き込み、AndMCUにロードして実行できます。

組み込みのアセンブラには、ステップバイステップトレースモード、ブレークポイント、メモリコンテンツのダンプをHTMLファイルにダンプするなど、多くの有用なディレクティブがあり、CPU速度の調整、ロードされたコードの自動ランニングがあります。次のオペコード(68705 MCU命令セットのサブセット)をサポートします。

NOP、CLC、CLI、SEC、SEI、STOP、SWI、TAX、TXA、LDA、LDX、STA、STX、ADD、ADC、CLR、CLRA、CLRX、DEC、DEC、DECX、INC、INCA、INCX、SUB、SBC、

そして、CMP、com、com com、comx、cpx、eor、lsl、lsla、lslx、lsr、lsra、lsrx、lsrx、

ネガ、ネガ、オラ、ロル、ロラ、ror、rora、tst、tsta、bra、bsr、bcc、bcs、

beq、bne、bhi、blo、bls、jmp、jsr、rts、rti、bclr、bset。

ANDMCUボードは、次のハードウェアコンポーネントをシミュレートします。

1)3X 8ビットの双方向ポートを備えた8ビットCPU。

2)6桁の表示

3)16文字のLCDディスプレイ

4)2x 8ビットディップスイッチ

5)2x8 LED Bargraphディスプレイ

6)12キーキーパッド

7)1ピエゾブザー

8)外部、タイマー、ソフトウェアの割り込み

9)1アナログ入力(光センサー)。

*最大1080 x 1920(フルHD)の画面解像度で動作します。

(これは高速のCPUエミュレーターではありません - これは教育目的のためのシミュレーターです。詳細については、AndMCUのWebサイトのドキュメントを参照してください。)

これは、AndMCU(無料)の広告サポートバージョンです。

このアプリケーションが気に入っている場合は、Google Play市場から広告なしバージョンを購入することで、さらなる開発をサポートしてください。また、広告なしバージョンでは、ビルトインエディターのフリックスロールを可能にします。

インターネット許可:広告サポートに有効(ADMOB)。

最新バージョン1.10の新しいもの

2015年9月24日に最終更新v.1.10 2013年6月5日:バグ修正:新しいファイルをロードした後、トレースモードをクリアし、CPU速度をリセットします。
v.1.09 2013年3月22日:フルHD画面解像度(最大1080x1920)に適合。